你的浏览器版本过低,可能导致网站不能正常访问!
为了你能正常使用网站功能,请使用这些浏览器。

STM32MP1系列 M4点亮OLED

[复制链接]
STMCU小助手 发布时间:2021-8-20 14:33
一.准备工具/软件


stm32mp157a-dk1开发板
OLED IIC接口,4线(3V3,GND,SCL,SDA)
STM32CubeMP1源码,github下载地址
https://github.com/STMicroelectronics/STM32CubeMP1


二.硬件连接
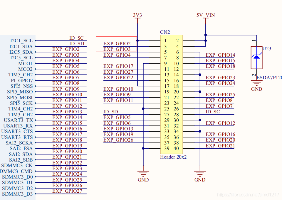
stm32mp157a-dk1开发板预留了CN2 2x20 排针,信号定义如下图,这里取PIN1,PIN3,PIN5,PIN39 与OLED模块连接。
1.png


三. STM32CubeMP1源码下载后,目录如下。这里使用GPIO源码工程为基础进行修改支持OLED, 主要是考虑方便,省去重新创建工程的时间。
2.png


四.工程代码
工程代码有移植了keil版本的和cube IDE版本两者。由于两者编译器类型不同。keil版本的代码通过仿真器直接下载代码到M4 核,利用了工程模式。工程模式设置B2:B1:B0状态为100;
而在cubeIDE中是编译linux系统中的可执行文件。A7核运行linux后,启动M4执行该文件。属于正常启动模式。
3.png


4.1 keil工程编译,由于使用Keil编译的二进制文件是axf格式的,设置STM32MP157A-DK1 为工程模式,下载仿真。


MDK-ARM调试stm32mp157具体请参考st官方文档,
这里提供了下载地址https://download.csdn.net/download/amd1217/12634117
4.png


4.2 使用STM32CubeIDE 1.3.0编译工程。STM32CubeIDE基于GCC编译器,可以直接生成elf格式的文件。在linux运行后,通过A7调用M4核运行elf文件。
6.png


五. 实验结果
linux下启动M4核,命令如下
5.png
OLED点亮。
7.png

收藏 评论0 发布时间:2021-8-20 14:33

举报

0个回答

所属标签

相似分享

官网相关资源

关于
我们是谁
投资者关系
意法半导体可持续发展举措
创新与技术
意法半导体官网
联系我们
联系ST分支机构
寻找销售人员和分销渠道
社区
媒体中心
活动与培训
隐私策略
隐私策略
Cookies管理
行使您的权利
官方最新发布
STM32N6 AI生态系统
STM32MCU,MPU高性能GUI
ST ACEPACK电源模块
意法半导体生物传感器
STM32Cube扩展软件包
关注我们
st-img 微信公众号
st-img 手机版