你的浏览器版本过低,可能导致网站不能正常访问!
为了你能正常使用网站功能,请使用这些浏览器。

实战经验 | MC SDK V6.x软件HSO功能ADC采样设计说明

[复制链接]
STMCU-管管 发布时间:2026-1-30 11:13

0 1

前言

在最新的马达控制软件MC SDK V6.x中集成了新的无传感观测器算法HSO(High Sensitivity Observer),这种观测器兼顾了马达高速,低速运行过程中的观测速度以及电机角度的准确输出,具有高灵敏度,是ST在无传感电机控制领域的又一项突破,最新的HSO观测器对电机控制的硬件有更多的要求,本文就HSO的硬件设计做必要说明。

0 2

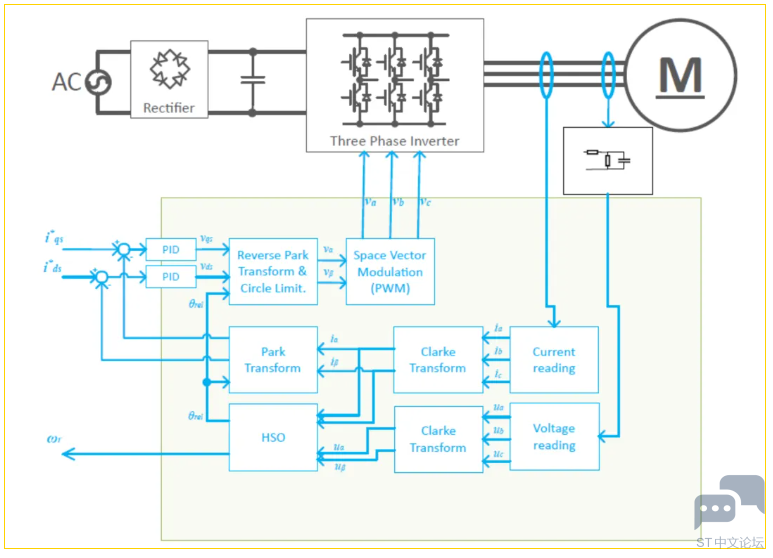
HSO控制框图

从下面框图上可以看到HSO算法基于电流以及端电压的输入,因此对于电流以及电压的采样对整个观测器输入尤为关键。

image.png

0 3

电流采样硬件

三电阻或者单电阻的Shunt电流采样,需要采用开尔文连接方式,实际是个四线连接,主电流通过Shunt电阻,而辅助电流经过旁路进入运放,辅助电流可以忽略,这样主电流在shunt电阻上形成的电压真实反应到了测试端。

image.png

▲ 图1. 开尔文电流采样电路

这个电路前端有滤波电路,滤波参数推荐为300KHz,后面接入ADC部分可以适当滤波,当然需要注意滤波参数以及ADC RAIN的选择,后级滤波电容要靠近MCU管脚放置。参考电路如B-G473E-ZEST1S中所示的电流采样电路(截止频率159KHz,15倍放大,偏移电平1.65V)连接。

image.png

▲ 图2. B-G473E-ZEST1S电流采样电路

0 4

端电压采样硬件

端电压的采样是HSO算法需要的电路,要考虑对端电压的分压以及滤波电路,滤波截止频率推荐为500Hz,参考电路如STEVAL-LVLP01中的端电压采样电路(最大端电压83.7V,截止频率518Hz)。

image.png

▲ 图3. 端电压采样参考电路

0 5

关于HSO采样MCU的ADC分配原则

因为要同时采样电流和端电压信号,强烈建议使用2个以上独立ADC模块进行采样,最好是有3个独立ADC模块,STM32G431有两个独立ADC模块,STM32G491有三个独立ADC模块,STM32G473有五个独立ADC模块,这几个STM32G4芯片都可以符合采样要求。

5.1. 电流电压采样机制

一个PWM周波内需要有只是两个有效电流信号以及三相端电压信号,因此在一个PWM周波内会触发四次ADC采样,对于每个独立的ADC模块,取一个有效的电流值,取四个端电压值做平均。注意ADC端口的分配。这边会用到辅助TIMER做为ADC触发信号,辅助TIMER同步于PWM信号,频率为PWM波的4倍,ADC触发配置CCR1进行触发。

5.2. 三个独立ADC模块采样

分配给每个ADC模块都是一个电流信号,一个电压信号。

image.png

▲ 图4. 三个独立ADC模块采样机制

5.3. 两个独立ADC模块采样

两个独立ADC模块,一个ADC模块上分配2个电流信号,1个电压信号;另外一个ADC模块分配1个电流信号,2个电压信号。

image.png

▲ 图5. 两个独立ADC模块采样机制

0 6

总结

在使用MC SDK V6.x的HSO功能时候,因相电流和端电压都需要进行采样,对于ADC采样硬件以及MCU管脚分配有一定要求,可以参考本文进行配置。

点击按钮下载《MC SDK V6.x软件HSO功能ADC采样设计说明》原文档。

点击下载

收藏 评论0 发布时间:2026-1-30 11:13

举报

0个回答

所属标签

相似分享

官网相关资源

关于
我们是谁
投资者关系
意法半导体可持续发展举措
创新与技术
意法半导体官网
联系我们
联系ST分支机构
寻找销售人员和分销渠道
社区
媒体中心
活动与培训
隐私策略
隐私策略
Cookies管理
行使您的权利
官方最新发布
STM32N6 AI生态系统
STM32MCU,MPU高性能GUI
ST ACEPACK电源模块
意法半导体生物传感器
STM32Cube扩展软件包
关注我们
st-img 微信公众号
st-img 手机版