请选择 进入手机版 | 继续访问电脑版

你的浏览器版本过低,可能导致网站不能正常访问!
为了你能正常使用网站功能,请使用这些浏览器。

【BlueNRG-LP 蓝牙开发板】介绍、环境搭建、工程测试

[复制链接]
无垠的广袤 发布时间:2026-4-30 18:37

【BlueNRG-LP 蓝牙开发板】介绍、环境搭建、工程测试

感谢 ST 中文论坛 留言有礼 活动的大力支持。

本文介绍了 BlueNRG-LP 蓝牙开发板的相关信息,包括外观、参数特点、板载资源、原理图等,并搭建开发环境,结合官方例程实现板载传感器数据的蓝牙传输。

介绍

BlueNRG-LP是一款超低功耗的可编程Bluetooth®低功耗无线SoC解决方案。

  • 内嵌意法半导体 2.4 GHz RF 无线电 IP,结合了无与伦比的性能和超长电池寿命;
  • 符合 Bluetooth® 低功耗 SIG 核心规范版本 5.2;
  • 支持点对点连接和 Bluetooth™ Mesh 网络,可建立大规模设备网络;
  • 适用于 2.4 GHz 专有无线通信,支持超低延迟应用。

BlueNRG-LP内嵌了一个Cortex®-M0+微控制器,运行速度高达64 MHz,另有BlueNRG内核协处理器(基于DMA),用于Bluetooth®低功耗的时序关键型操作。

详见:BlueNRG-LP | 产品 - 意法半导体 .

包装

package.jpg

包装清单:开发板、Micro-USB 数据线

board.jpg

开发板

Top view

top.jpg

Bottom view

bottom.jpg

参数特点

  • 高速存储,包括 256 KB 的 Flash 存储器、64 KB 的 RAM 存储器、1 KB 的一次性可编程 (OTP) 存储区域、7 KB 的 ROM存储器(意法半导体保留区域)。
  • 内存和外设之间(以及内存到内存)的直接数据传输由8个DMA通道支持,DMAMUX外设具有完全灵活的通道映射。
  • 内嵌有12位ADC,可测量多达八个外部信号源和三个内部信号源,包括电池监测和温度传感器。
  • 配有一个低功耗RTC和一个高级16位定时器。
  • 带有标准与高级通信接口:
  • 1x SPI,2x SPI/I2S,1x LPUART,1x USART支持ISO 7816(智能卡模式)、IrDA和Modbus模式,2x I2C支持SMBus/PMBus,1x通道PDM。
  • 工作温度范围 -40 至 +105°C,供电电压范围是1.7 V至3.6 V。一组完整的节电模式,适合低功耗应用设计。
  • 集成高效的SMPS降压转换器和带固定阈值的集成PDR电路,当VDD下降到1.65 V以下时会进行器件复位。
  • 不同的封装版本,支持:32 I/O QFN48封装、20 I/O QFN32封装、30 I/O WCSP49封装。

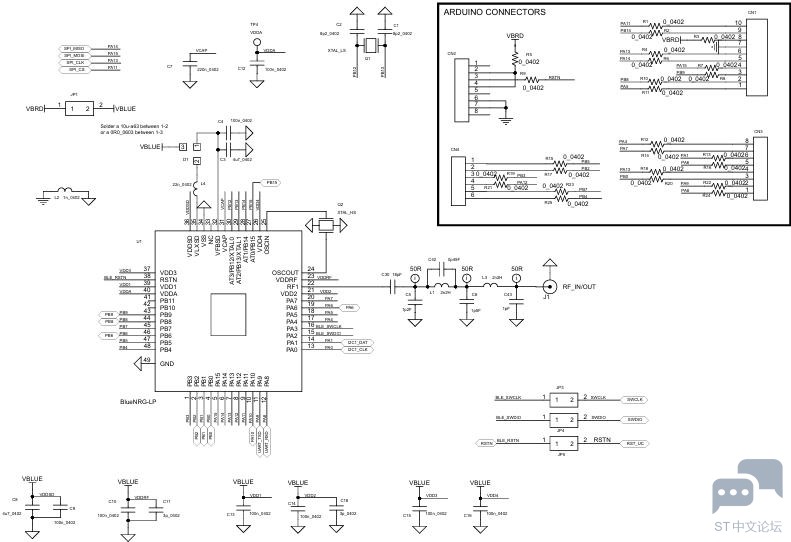
原理图

主控

SCH_MCU.jpg

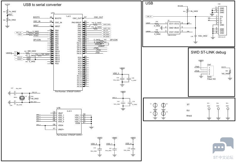
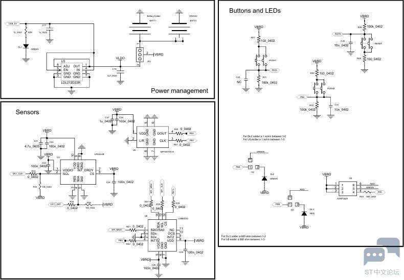
外设

SCH_Peripharial.jpg

USB

SCH_USB-UART.jpg

详见:STEVAL-IDB011V2 | 产品 - 意法半导体 .

环境搭建

工程测试

打开 BlueNRG-LP Navigator 软件;

bluenrg-lp_navigator.jpg

进入 Examples 标签页面;

ble_sample.jpg

点击例程 BLE Sensor for ST BLE Sensor app,进入 Demo 说明页面;

  • 示例工程展示了如何实现针对 ST BLE Sensor 智能手机应用交互的 Sensor Demo 应用;
  • 设备会定期向ST BLE传感器智能手机应用发送来自加速度计传感器和环境传感器(压力和温度传感器)收集的数据;
  • 支持BlueVoice库功能,实现ADPCM压缩和通过蓝牙LE半双工(单向)流式语音传输。

点击右下角的 Project 按钮,打开工程所在目录;

ble_demo_app.jpg

进入 MDK 文件夹,双击 BLE_SensorDemo_BlueMSapp.uvprojx 文件,加载工程;

编译并上传工程至开发板

keil-rebuild_print.jpg

打开手机 APP - ST BLE Sensor ,扫描周围设备,点击 BlueNRGLP 实现连接;

  • 例程包含环境、绘图、蓝牙声音、声字同步、文本监听、MQTT上传等功能;

st_ble_app_board.jpg

这里展示部分界面

st_ble_app_plot.jpg

总结

本文介绍了 BlueNRG-LP 蓝牙开发板的相关信息,包括外观、参数特点、板载资源、原理图等,并搭建开发环境,结合官方示例工程实现板载传感器数据的蓝牙传输,为相关产品的快速开发和应用设计提供了参考。

再次感谢 ST 中文论坛 留言有礼 活动的大力支持。

收藏 评论0 发布时间:2026-4-30 18:37

举报

0个回答

所属标签

相似分享

官网相关资源

关于
我们是谁
投资者关系
意法半导体可持续发展举措
创新与技术
意法半导体官网
联系我们
联系ST分支机构
寻找销售人员和分销渠道
社区
媒体中心
活动与培训
隐私策略
隐私策略
Cookies管理
行使您的权利
官方最新发布
STM32N6 AI生态系统
STM32MCU,MPU高性能GUI
ST ACEPACK电源模块
意法半导体生物传感器
STM32Cube扩展软件包
关注我们
st-img 微信公众号
st-img 手机版