
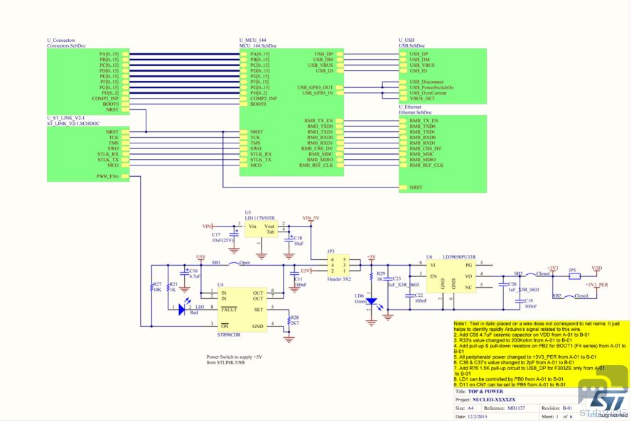
前言 学习Nucleo 的主要渠道还是通过官方的手册,以及官方的驱动例程。 官方手册在STM32CubeMX选择对应的板子时,上面有个Docs & Resources 可以看到。 ![]() 官方的例程在对应的pack中,在Embedded Software Packages Manager 中可以管理对应系列的支持包,比如现在使用的是 STM32Cube MCU Package for STM32F7 Series 1.16.0,下载之后在STM32CubeMX的文档目录下,每台电脑可能都不一样,所以可以通过软件 "Everything"来搜索对应的版本号,直接搜索1.16.0就能搜索到 “stm32cube_fw_f7_v1160.zip” 这个文件,解压后就能看到各个例程了。 ![]() 一、原理图 要想学习一块开发板,先要对原理图有一定的了解才行,后面才能根据这个硬件进行配置以及编程。原理图可以在官网上进行下载。 1.MB1137 顶层文件 ![]() 这个项目是多个原理图进行设计的,有一个顶层文件,以及多个底层文件,通过顶层文件来管理各个底层文件的连接关系。底层文件的各个功能如下: Connectors.SchDoc 这个是ST Zio扩展连接器,可以连接ARDUINO®Uno V3,还可以连接ST官方的MEMS(微机电系统)等扩展模块。 MCU_144.SchDoc 这个就是144引脚封装的STM32,里面有一些兼容性设计,可以根据不同的配置来焊接不同型号的单片机。 USB.SchDoc 这个文件是USB设计相关的原理图 ST_LINK_V2-1.SchDoc 板载了一颗STM32F103CBT6,烧录的是STLINK的固件,所以可以直接使用USB连接,就能调试Nucleo,除了通过MDK进行烧录程序,升级固件之后,STLINK会在电脑映射出一个硬盘,可以直接将bin文件拖拽进去进行烧录。另外这个STLINK还虚拟了一个串口,与Nucleo的UART3进行连接。 Ethernet.SchDoc 通过RMII连接LAN8742A-CZ-TR,可以使用这个来进行以太网的学习。 顶层文件 顶层文件除了确定各个底层文件的接线,还设计了一个电源管理模块,可以通过JP3来选择供电来源,默认是通过ST-LINK来控制U4功率开关芯片来间接控制电源,这种方式是通过USB供电的,USB2.0的供电电流是500mA,所以如果是大电流的负载下,应该要切换到VIN来供电,Vin是通过板子上面的排针进行引入的。 2.Connectors.SchDoc 这个文件主要是将STM32的引脚引出,如果需要调试其他模块时,需要使用排针进行连接。具体可参考6.12、6.13、6.14、6.15小节。 ![]() 3.MCU_144.SchDoc ![]() 4.USB.SchDoc ![]() 5.ST_LINK_V2-1.SchDoc ![]() 6.Ethernet.SchDoc ![]() 二、用户指南 翻译自UM1974.pdf 1.介绍 基于MB1137参考板的STM32 Nucleo-144板(NUCLEO-F207ZG,NUCLEO-F303ZE,NUCLEO-F412ZG,NUCLEO-F413ZH,NUCLEO-F429ZI,NUCLEO-F439ZI,NUCLEO-F446ZE,NUCLEO-F722ZE,NUCLEO-F722ZE,NUCLEO-F722ZE -F756ZG,NUCLEO-F767ZI和NUCLEO-H743ZI)为用户提供了一种负担得起的灵活方法,可以尝试新概念并使用STM32微控制器构建原型,并从性能,功耗和功能的各种组合中进行选择。 ST Zio连接器扩展了ARDUINO®Uno V3的连接能力,而ST morpho接头连接器则可通过多种专用屏蔽罩轻松扩展Nucleo开放式开发平台的功能。 STM32 Nucleo-144板集成了ST-LINK / V2-1调试器/编程器,因此不需要任何单独的探针。 ![]() 2.订购信息 None 3.开发环境 3.1 系统要求 Windows® OS (7, 8 and 10), Linux® 64-bit, or macOS® (a) (b) USB Type-A to Micro-B cable 3.2 开发工具链 IAR Systems- IAR Embedded Workbench®© Keil® - MDK-ARM© STMicroelectronics - STM32CubeIDE Arm® Mbed™ online(d) (see mbed.org) 3.3 演示软件 STM32Cube MCU软件包中包含的演示软件与板载微控制器相对应,该演示软件已预装在STM32闪存中,可轻松以独立模式演示设备外设。可以从www.st.com下载最新版本的演示源代码和相关文档。 4 约定 ![]() 5 快速开始 STM32 Nucleo-144开发板是一种低成本,易于使用的开发套件,用于评估和启动采用LQFP144封装的STM32微控制器的开发。 5.1 入门 请按照以下顺序配置Nucleo-144板并启动演示应用程序(有关组件位置,请参见图4:顶部布局): 1.检查跳线在板上的位置: 选择了JP1 OFF(PWR-EXT)(请参见第6.4.1节:来自STLINK /的电源输入 V2-1 USB连接器,了解更多详细信息) 选择了U5V(电源)上的JP3(有关更多详细信息,请参阅表7:外部电源) 选择了JP5 ON(IDD)(更多详细信息,请参见第6.7节:JP5(IDD)) 选中CN4 ON(有关更多详细信息,请参阅表4:跳线的CN4状态) 2.为了正确识别来自主机PC的设备接口,并在连接开发板之前,请安装www.st.com/stm32nucleo网站上提供的Nucleo USB驱动程序。 3.要为电路板供电,请通过ST-LINK上的USB连接器CN1用USB电缆“ Type-A to Micro-B”将STM32 Nucleo-144电路板连接至PC。结果,绿色LED LD6(PWR)和LD4(COM)点亮,红色LED LD3闪烁。 4.按下按钮B1(左边蓝色按钮)。 5.通过单击按钮B1观察三个LED LD1至LD3的闪烁频率变化。 6.可在www.st.com/stm32nucleo网站上获得允许用户使用Nucleo功能的软件演示和几个软件示例。 7.使用可用的示例开发应用程序。 6 硬件布局和配置 STM32 Nucleo-144板采用144引脚LQFP封装围绕STM32微控制器进行设计。 图3显示了STM32及其外围设备(ST-LINK / V2-1,按钮,LED,USB,以太网,ST Zio连接器和ST morpho接头连接器)之间的连接。 图4和图5显示了这些功能在STM32 Nucleo-144板上的位置。 电路板的机械尺寸如图6和图7所示。 图3.硬件框图 ![]() 图4.顶部布局 ![]() 图5.底视图 ![]() 6.1 机械制图 空 6.2 可切割PCB STM32 Nucleo-144开发板分为两部分:ST-LINK和目标STM32。可以切割PCB的ST-LINK部分,以减小电路板尺寸。在这种情况下,剩余的目标STM32部分只能由ST morpho连接器CN11上的VIN,E5V和3.3 V供电,或者由ST Zio连接器CN8上的VIN和3.3 V供电。通过ST morpho连接器上的CN6和SWD可用信号之间的连线(SWCLK CN11引脚15,SWDIO CN11引脚13和NRST CN11引脚14),仍然可以使用ST-LINK部件对STM32进行编程。 6.3 嵌入式ST-LINK / V2-1 ST-LINK / V2-1编程和调试工具集成在STM32 Nucleo-144板上。 ST-LINK / V2-1使mbed的STM32 Nucleo-144板成为mbed。 嵌入式ST-LINK / V2-1仅支持STM32设备的SWD。有关调试和编程功能的信息,请参考STM8和STM32的ST-LINK / V2在线调试器/编程器用户手册(UM1075),其中详细介绍了所有ST-LINK / V2功能以及ST概述-LINK衍生产品技术说明(TN1235)。 与ST-LINK / V2版本相比的更改如下所列。 ST-LINK / V2-1支持的其他功能: • USB软件重新枚举 • USB上的虚拟com端口接口 • USB上的海量存储接口 • USB电源管理要求USB上的电流超过100mA ST-LINK / V2-1不支持的功能: • SWIM界面 • 最小支持的应用电压限制为3 V 根据跳线状态,有两种使用嵌入式ST-LINK / V2-1的不同方法(请参见表4): • 在板上编程/调试STM32 • 使用连接的电缆在外部应用板上编程/调试STM32 到SWD连接器CN6 表4.CN4跳线的状态 ![]() 6.3.1 嵌入式ST-LINK / V2-1 如果在安装驱动程序之前将STM32 Nucleo-144板连接到PC,则PC设备管理器可能会将某些Nucleo接口报告为“未知”。 为了从这种情况中恢复过来,在安装专用驱动程序后,必须在设备管理器中手动更新STM32 Nucleo-144板上找到的“未知” USB设备与此专用驱动程序的关联。 注意:建议继续使用USB复合设备 6.3.2 ST-LINK / V2-1固件升级 ST-LINK / V2-1内置了固件升级机制,可通过USB端口进行原位升级。由于固件可能会在ST-LINK / V2-1产品的生命周期内发展(例如,新功能,错误修复,对新微控制器系列的支持),因此建议将ST-LINK / V2-1固件保持在最新状态。 6.3.3 使用ST-LINK / V2-1对板载STM32进行编程和调试 要对板载STM32进行编程,请在连接器CN4上放置两个红色标记的跳线,如图9所示。不得使用CN6连接器,因为它可能会干扰与Nucleo-144板的STM32微控制器的通信。 。 图9.连接STM32 Nucleo-144板以对板载STM32进行编程 ![]() 6.3.4 使用ST-LINK / V2-1编程和调试外部STM32应用 使用ST-LINK / V2-1在外部应用程序上对STM32进行编程非常容易。 只需从CN4卸下两个跳线帽,如图10所示,然后根据表5将应用程序连接到CN6调试连接器。 注意:当在外部应用中使用CN6引脚5时,SB111 NRST(目标STM32 RESET)必须为OFF。 表5.调试连接器CN6(SWD) ![]() 6.4 电源和电源选择 电源可以由主机PC通过USB电缆提供,也可以由外部电源提供:CN8或CN11上的VIN(7 V-12 V),E5V(5 V)或+3.3 V电源引脚。如果使用VIN,E5V或+3.3 V为Nucleo-144板供电,则该电源必须符合标准EN-60950-1:2006 + A11 / 2009,并且必须是受限的安全超低电压(SELV)功率能力。 如果电源为+3.3 V,则ST-LINK未通电且无法使用。 6.4.1 来自ST-LINK / V2-1 USB连接器的电源输入 STM32 Nucleo-144板和屏蔽板可以通过在JP3的引脚3和4之间放置一个跳线,从ST-LINK USB连接器CN1(U5V)供电,如表8:与电源相关的跳线所示。请注意,在枚举USB之前,仅为ST-LINK部件供电,因为此时主机PC仅向开发板提供100 mA的电流。在进行USB枚举期间,STM32 Nucleo-144板需要300mA的电流流向主机PC。如果主机能够提供所需的电源,则为目标STM32微控制器供电,并且绿色LED LD6点亮,因此STM32 Nucleo-144板及其屏蔽最多消耗300 mA电流,而不是更多。如果主机无法提供所需的电流,则不为目标STM32微控制器和扩展板供电。结果,绿色LED LD6保持关闭状态。在这种情况下,必须按照下一节中的说明使用外部电源。 USB枚举成功后,通过置位PWR_EN引脚来启用ST-LINK U5V电源。该引脚连接到电源开关(ST890),后者为电路板供电。该电源开关还具有电流限制功能,以在电路板上发生短路时保护PC。如果板上出现过电流(大于500 mA),则红色LED LD5点亮。 JP1由USB(U5V)供电时根据电路板的最大电流消耗进行配置。可以将JP1跳线设置为ON,以通知主机PC最大电流消耗不超过100 mA(包括电位扩展板或ST Zio屏蔽)。在这种情况下,USB枚举将始终成功,因为向PC请求的电流不超过100 mA。表6总结了JP1的可能配置。 表6.JP1配置表 ![]() 注意:如果STM32 Nucleo-144板及其屏蔽层的最大电流消耗如果板卡的电流超过300 mA,则必须为STM32 Nucleo-144板卡供电。连接到E5V,VIN或+3.3 V的外部电源。 注意:如果开发板由USB充电器供电,则没有USB枚举,因此绿色的LED LD6永久保持OFF状态,并且目标STM32不供电。在这种特定情况下,必须将跳线JP1设置为ON,以便无论如何都可以为该板供电。但是无论如何,U4会将电流限制为500 mA(ST890)。 6.4.2 外部电源输入 根据所使用的电压,Nucleo-144板及其屏蔽板可以通过外部电源以三种不同的方式供电。表7总结了这三种电源。 当STM32 Nucleo-144板由VIN或E5V供电时,跳线配置必须如下: • 使用E5V,则JP3的引脚1和引脚2闭合;使用VIN,则JP3的引脚5和引脚6上闭合 •JP1跳线断开 表7.外部电源 ![]() 可以通过跳线JP3选择5 V电源,如表8所示。 表8.电源相关跳线 ![]() 使用VIN或E5V作为外部电源 当使用VIN或E5V供电时,仍然可以仅使用ST-LINK进行编程或调试,但是必须先使用VIN或E5V为电路板供电,然后再将USB电缆连接至PC。这样,借助外部电源,枚举成功。 必须遵循以下电源顺序过程: 1.在E5V的引脚1和引脚2之间或在VIN的引脚5和引脚6之间连接跳线JP3 2.检查是否已删除JP1 3.将外部电源连接到VIN或E5V 4.接通外部电源的电源7 V <VIN <VIN至12 V,对于E5V为5 V 5.检查绿色LED LD6是否已打开 6.将PC连接到USB连接器CN1 如果不遵守此顺序,则可能首先通过USB(U5V)为电路板供电,然后通过VIN或E5V供电,因为可能会遇到以下风险: 1.如果电路板需要超过300 mA的电流,则可能会损坏PC或限制PC所提供的电流。因此,该板未正确供电。 2.枚举时要求300 mA(因为JP1必须为OFF),所以如果PC无法提供该电流,则存在拒绝该请求并且枚举不成功的风险。因此,该板未供电(LED LD6保持熄灭)。 外部电源输入:+ 3.3 V 当屏蔽板提供3.3 V电压时,直接将+3.3 V(CN8引脚7或CN11引脚16)用作电源输入是很有趣的。在这种情况下,由于ST-LINK未通电,因此无法使用编程和调试功能。 当电路板采用+3.3 V供电时,可能有两种不同的配置: • 删除了ST-LINK(PCB切割) • SB3(3.3 V稳压器)和SB111(NRST)关闭。 6.4.3 外部电源输出 当通过USB,VIN或E5V供电时,+ 5 V(CN8引脚9或CN11引脚18)可用作ST Zio屏蔽或扩展板的输出电源。在这种情况下,必须遵守表7:外部电源中指定的最大电源电流。 +3.3 V(CN8引脚7或CN11引脚16)也可用作电源输出。电流受调节器U6的最大电流能力限制(最大500 mA)。 6.5 LEDs 用户LD1:绿色的用户LED连接到与ST Zio D13对应的STM32 I/O PB0(SB120 ON和SB119 OFF)或PA5(SB119 ON和SB120 OFF)。 用户LD2:蓝色的用户LED连接到PB7。 用户LD3:红色的用户LED连接到PB14。 当I / O为HIGH时,这些用户LED点亮;当I / O为LOW时,这些用户LED熄灭。 LD4 COM:三色LED LD4(绿色,橙色,红色)提供有关ST-LINK通信状态的信息。 LD4默认颜色是红色。 LD4变为绿色,表明PC和ST-LINK / V2-1之间的通信正在进行,并具有以下设置: •缓慢闪烁的红色/熄灭:在USB初始化之前开机 •快速闪烁的红色/熄灭:在PC与ST-LINK / V2-1之间的第一次正确通信之后(枚举) •红色LED指示灯亮:当PC与ST-LINK / V2-1之间的初始化完成时 •绿色LED指示灯亮:目标通信成功初始化后 •红色/绿色闪烁:与目标设备通信期间 •绿灯常亮:交流成功 •橙色常亮:通信失败 LD5 USB电源故障:LD5指示USB上的电路板功耗超过500 mA,因此用户必须使用外部电源为电路板供电。 LD6 PWR:绿色LED指示灯指示STM32部件已通电,并且CN8引脚9和CN11引脚18可用+5 V电源。 LD7和LD8 USB FS:请参见第6.10节:USB OTG FS或设备 6.6 按钮 B1用户:默认情况下,用户按钮已连接到STM32微控制器的I/O PC13(支持篡改,SB173 ON和SB180 OFF)或PA0(唤醒支持,SB180 ON和SB173 OFF)。 B2复位:此按钮连接到NRST,用于复位STM32微控制器。 6.7 JP5 (IDD) 跳线JP5(标记为IDD)用于通过卸下跳线并连接电流表来测量STM32微控制器的功耗: •JP5开启:STM32通电(默认) •JP5 OFF:必须连接一个电流表以测量STM32电流。如果没有电流表,STM32未通电 为了获得正确的电流消耗,应将以太网PHY设置为掉电模式或删除SB13。有关详细信息,请参见第6.11节:以太网。 6.8 OSC时钟 6.8.1 OSC时钟供应 有四种方法可以配置与外部高速时钟(HSE)对应的引脚: 来自ST-LINK的MCO(默认):ST-LINK的MCO输出用作输入时钟。这个频率无法更改,固定为8 MHz,并连接到STM32微控制器的PF0 / PH0-OSC_IN。配置必须是: – SB148 断开 – SB112和SB149 闭合 – SB8和SB9 断开 X3晶体的HSE板载振荡器(未提供):有关典型频率及其电容和电阻的信息,请参考STM32微控制器数据表以及STM8S,STM8A和STM32微控制器的振荡器设计指南,关于振荡器设计的应用笔记(AN2867)。 X3晶体具有以下特性:8 MHz,8 pF,20 ppm。建议使用NIHON DEMPA KOGYO CO.,LTD。制造的NX3225GD-8.000MEXS00A-CG04874。 配置必须是:: – SB148和SB163 断开 – SB8和SB9焊接 – C37和C38与4.3 pF电容器焊接 – SB112和SB149 断开 来自外部PF0 / PH0的振荡器:来自外部振荡器的CN11连接器的引脚29。配置必须是: – SB148 闭合 – SB112和SB149 断开 – 移除B8和SB9 未使用HSE:PF0 / PH1和PF1 / PH1用作GPIO,而不是时钟。配置必须是: – SB148和SB163闭合 – SB112和SB149(MCO)断开 – 移除SB8和SB9 6.8.2 OSC 32 KHz时钟电源 可通过以下三种方式配置与低速时钟(LSE)对应的引脚: •板载振荡器(默认):X2晶体。有关STM32微控制器的振荡器设计指南,请参考STM8S,STM8A和STM32微控制器的振荡器设计指南应用笔记(AN2867)。建议使用Nihon Dempa Kogyo CO,LTD。的NX3214SA-32.768KHZ-EXS00A-MU00525(32.768 kHz,6 pF负载电容,200 ppm)。 注意:对于STM32F0和STM32F3系列,由于电路板上晶体的负载电容为6 pF,建议使用LSE的低驱动模式配置(LSEDRV寄存器中的低驱动能力)。 外部PC14的振荡器:外部振荡器通过CN11连接器的引脚25。配置必须是: – SB144和SB145 闭合 – 移除R37和R38 不使用LSE:PC14和PC15用作GPIO而不是低速时钟。配置必须是: – SB144和SB145闭合 – 移除 R37和R38 6.9 USART通讯 STM32的PD8和PD9上可用的USART3接口可以连接到ST-LINK或ST morpho连接器。通过设置相关的焊桥可以更改选择。默认情况下,目标STM32和ST-LINK之间的USART3通信处于启用状态,以支持mbed的虚拟COM端口(SB5和SB6 ON)。 表9.USART3 引脚 ![]() 6.10 USB OTG FS or device STM32 Nucleo-144板通过连接到VBUS的USB Micro-AB连接器(CN13)和USB电源开关(U12)支持USB OTG或设备全速通信。 注意:NUCLEO-F303ZE开发板仅支持USB设备FS。所有其他STM32 Nucleo-144板均支持USB OTG。 警告:USB > Micro–AB连接器(CN13)无法为Nucleo-144板供电。为避免损坏STM32,必须在连接CN13上的USB电缆之前给Nucleo-144供电。否则有在STM32 I/O上注入电流的风险 在以下情况之一中,绿色的LED LD8点亮: • 电源开关(U12)处于打开状态,并且STM32 Nucleo-144板用作USB主机 • 当STM32 Nucleo-144板用作USB设备时,VBUS由另一个USB主机供电。 如果在USB主机模式下在VBUS上启用+5 V,则发生过电流时,红色LED LD7点亮。 注意事项: 1.使用USB OTG或主机功能时,建议通过外部电源为Nucleo-144板供电。 2.使用USB OTG FS时,JP4必须为ON。 NUCLEO-F303ZE板不支持OTG功能,但通过USB Micro-AB连接器(CN13)支持USB 2.0全速设备模式通信。 USB断开连接仿真由PG6实现,该控件控制USB D+线上的1.5 K上拉电阻(R70)。由于R62和R63电阻之间的桥接,PG7上可以检测USB连接器(CN13)上的5V电源。 表10.USB 引脚配置 ![]() ![]() ESD保护部分ESDA6V1BC6在USB端口上实现,因为STM32上的所有USB引脚都可以用作STM32 Nucleo-144板上的VBUS或GPIO。 注意:如果这些引脚仅专用于USB端口,则USBLC6-4SC6保护部分更适合于保护USB端口。如果不使用USB引脚ID,则可以使用USBLC6-2SC6。 6.11 以太网 Ethernet STM32 Nucleo-144板通过PHY LAN8742A-CZ-TR(U9)和RJ45连接器(CN14)支持10M / 100M以太网通信。以太网PHY通过RMII接口连接到STM32微控制器。 PHY RMII_REF_CLK产生STM32微控制器的50MHz时钟。 注意事项: 1.NUCLEO-F303ZE,NUCLEO-F412ZG,NUCLEO-F413ZH,NUCLEO-F446ZE和NUCLEO-F722ZE不支持以太网功能。 2.使用以太网时,JP6和JP7必须为ON。 3.以太网PHY LAN8742A应该设置为掉电模式(在这种模式下,以太网PHY参考时钟关闭),以实现预期的低功率模式电流。这是通过将以太网PHY LAN8742A基本控制寄存器(位于地址0x00)的位11(掉电)配置为1来完成的。 也可以删除SB13以获得相同的效果。 表11.以太网引脚 ![]() 6.12 焊接跳线 SBxx位于Nucleo-144板的顶层,而SB1xx位于底层。 表12.焊接跳线 ![]() ![]() ![]() ![]() ![]() STM32 Nucleo-144板上存在的所有其他焊桥均用于配置多个I / O和电源引脚,以实现功能和引脚与所支持的目标STM32的兼容性。 根据支持的目标STM32,STM32 Nucleo-144板出厂时已配置了焊桥。 6.13 扩展连接器 对于每个STM32 Nucleo-144板,下图显示了默认情况下连接到ST Zio连接器(CN7,CN8,CN9,CN10)的信号,包括对ARDUINO®Uno V3的支持。 此部分请参考实际的Nucleo 板以及手册。 6.14 ST Zio连接器 CN7,CN8,CN9和CN10的顶部连接器为母头,底部连接器为**。它们包括对ARDUINO®Uno V3的支持。大多数为ARDUINO®Uno V3设计的屏蔽都可以安装到STM32 Nucleo-144板上。 为了应对ARDUINO®Uno V3,请进行以下修改: •SB138和SB143应该为开。 •SB140/147/150/157/167/171应该为OFF,以将I2C连接到A4(引脚5)和A5(CN9的引脚6)上。 注意:1 STM32微控制器的I / O兼容3.3 V,而不是ARDUINO®Uno V3的5V。 注意:2在使用CN7引脚6上提供VREF +电源的ARDUINO®屏蔽之前,必须先移除SB12。有关SB12的详细信息,请参见表12:焊桥。 表13至表20显示了ST Zio连接器上每个STM32微控制器的引脚分配。 引脚功能看数据手册。 6.14 ST morpho连接器 ST morpho连接器包含**连接器封装CN11和CN12(默认情况下未焊接)。它们用于将STM32 Nucleo-144板连接到扩展板或放置在STM32 Nucleo-144板顶部的原型/包装板。 STM32的所有信号和电源引脚均在ST morpho连接器上提供。该连接器也可以通过示波器,逻辑分析仪或电压表进行探测。 表21和表22列出了ST morpho连接器上每个STM32的引脚分配。 ———————————————— 转载:fafuwxm |
stm32中断原理
【STM32N6570-DK评测】3.CubeMX关于DCMIPP和CSI的BUG整理及摄像头使用
STM32cubeMX软件的使用过程中的“坑”
【有奖体验】STM32Cube通过Clang/LLVM支持进一步简化代码开发
STM32CubeMX应用结构选择指南
经验分享 | STM32CubeMX 生成时钟获取函数的分析
兔哥的最强U5图显【000】——U5G9最小系统绘制
兔哥的ST67——【000】ST67模组订购
基于LORA的环境感知系统
经验分享 | 使用CubeMx配置NVIC时为何不见子优先级?