 
        
        
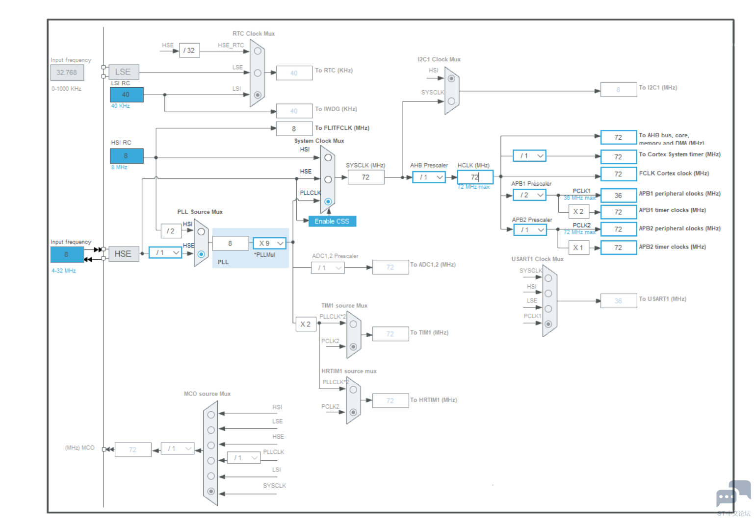
    | 我是用cubmx配置STM32F334C8T6时,烧录到单片机里面,其他都正常,就是晶振无法起振,发现程序卡在 __weak HAL_StatusTypeDef HAL_InitTick(uint32_t TickPriority) { / Configure the SysTick to have interrupt in 1ms time basis/ if (HAL_SYSTICK_Config(SystemCoreClock / (1000U / uwTickFreq)) > 0U) { return HAL_ERROR; } 的如下地方 uint32_t HAL_SYSTICK_Config(uint32_t TicksNumb) { return SysTick_Config(TicksNumb); } 下图为我的cubmx配置 
 
 请问一下是什么原因? | 
 
MCSDK 6.2.1 位置模式过冲
STM32F303的CAN的初始化问题
商城的F334开发板是电源开发板么,还是只有基础外设板载
请问下这款芯片的具体型号
STM32F301 ADC 通道错位问题
STM32 MCU的良率
hrtim里update reset和reset update同时打开不会互相激励吗,另外为什么现在定时器周期值不用-1了
hrtim 下Single-shot Non-retriggerable模式 reset信号到来时Repetition counter会减少吗,手册没说这一点
F334 hrtim pwm输出没有单独的预装载影子寄存器控制位吗
STM32F373 SDAC1+DMA,数据只能更新一次?
 微信公众号
                微信公众号
             手机版
                手机版
             
		
	
	
	
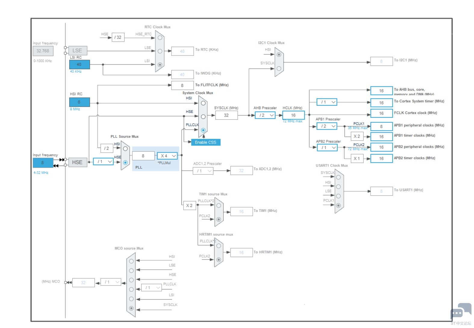
时钟配置发错图了,配置如下
如果正常,那就多半和外部晶振电路的参数有关了。