你的浏览器版本过低,可能导致网站不能正常访问!
为了你能正常使用网站功能,请使用这些浏览器。

【STEVAL-STWINKT1B评测】介绍、环境搭建、工程测试

[复制链接]
无垠的广袤 发布时间:2026-2-27 20:15

【STEVAL-STWINKT1B评测】介绍、环境搭建、工程测试

本文介绍了 STEVAL-STWINKT1B 开发套件的相关信息,包括外观、功能特点、参数资源、原理图、系统框图等,并完成硬件组装和开发环境搭建,通过蓝牙Demo示例工程,快速实现应用测试。

介绍

STWIN SensorTile 无线工业节点(STEVAL-STWINKT1B)是一个开发套件和参考设计。

可用于简化设计和测试状态监测和预测性维护等高级工业IoT应用。

  • 套件具有带一系列嵌入式工业级传感器和超低功耗微控制器的核心系统板,可对多种振动频率(包括超高频率音频和超声频谱)下的9轴运动传感数据进行振动分析,并可以实现高精度局部环境与温度监测。
  • 开发套件有丰富的软件包和优化的固件库,以及云仪表板应用,可缩短端到端解决方案的设计周期。
  • 套件支持蓝牙®低功耗无线连接,并可以通过专用插件扩展板(STEVAL-STWINWFV1)支持Wi-Fi连接。
  • 可通过板载 RS485 收发器支持有线连接。核心系统板具有STMod+连接器,可用于连接与STM32系列可兼容、低成本、小尺寸子板,如LTE Cell包。
  • 该套件配有480 mAh的锂聚合物电池、STLINK-V3MINI调试器与塑料盒。

详见:STEVAL-STWINKT1B | Product - 意法半导体

包装

package_t.jpg

package_b.jpg

核心板

Top view

top.jpg

Bottom view

bottom.jpg

功能特点

  • 可实现振动监测与超声检测的多感测无线平台
  • 安装有STSAFE-A110、BlueNRG-M2S模块和IMP23ABSU MEMS麦克风
  • 围绕STWIN核心系统板可以构建具有处理、传感、连接和扩展功能
  • 具有FPU、2048 Kb闪存的120 MHz超低功耗ARM Cortex-M4 MCU(STM32L4R9)
  • 用于独立数据记录应用的Micro SD卡插槽
  • 拥有蓝牙®低功耗v5.0无线技术和Wi-Fi(带STEVAL-STWINWFV1扩展板),以及有线RS485和USB OTG连接。
  • 可选择使用STSAFE-A110来实施身份验证与品牌保护安全解决方案
  • 广泛的工业IoT传感器:
    • 超宽带宽(高达6 kHz)、低噪声、3轴数字振动传感器(IIS3DWB)
    • 具有机器学习内核的加速度计 + 陀螺仪的 iNEMO惯性测量单元(ISM330DHCX)
    • 超低功耗高性能MEMS运动传感器(IIS2DH)
    • 超低功耗3轴磁力计(IIS2MDC)
    • 数字压力传感器(LPS22HH)
    • 湿度和温度传感器(HTS221)
    • 温度传感器(STTS751)
    • 工业级数字MEMS麦克风(IMP34DT05)
    • 频率响应高达80 kHz的模拟MEMS麦克风(IMP23ABSU)
  • 模块化架构,可通过板载连接器扩展:
    • STMOD+和40引脚Flex通用扩展
    • 用于连接扩展的12引脚公插头
    • 用于传感扩展的12引脚母插头
  • 其他套件元件:
    • 锂聚合物电池480 mAh
    • 带编程电缆的STLINK-V3MINI调试器
    • 塑料盒

系统框图

system_block.jpg

传感器

sensors.jpg

原理图

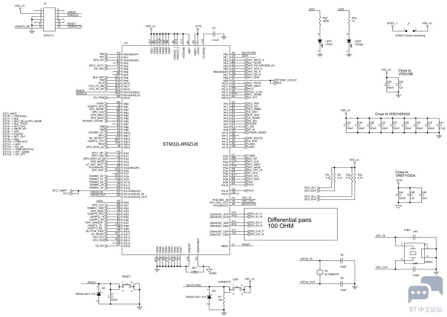
主控

SCH_MCU.jpg

传感器

SCH_Sensors.jpg

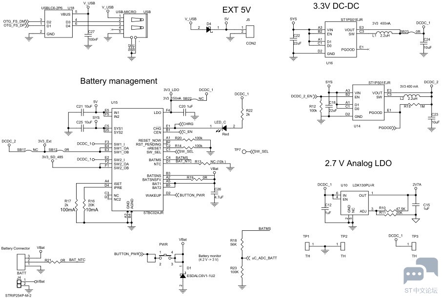
电池

SCH_BAT.jpg

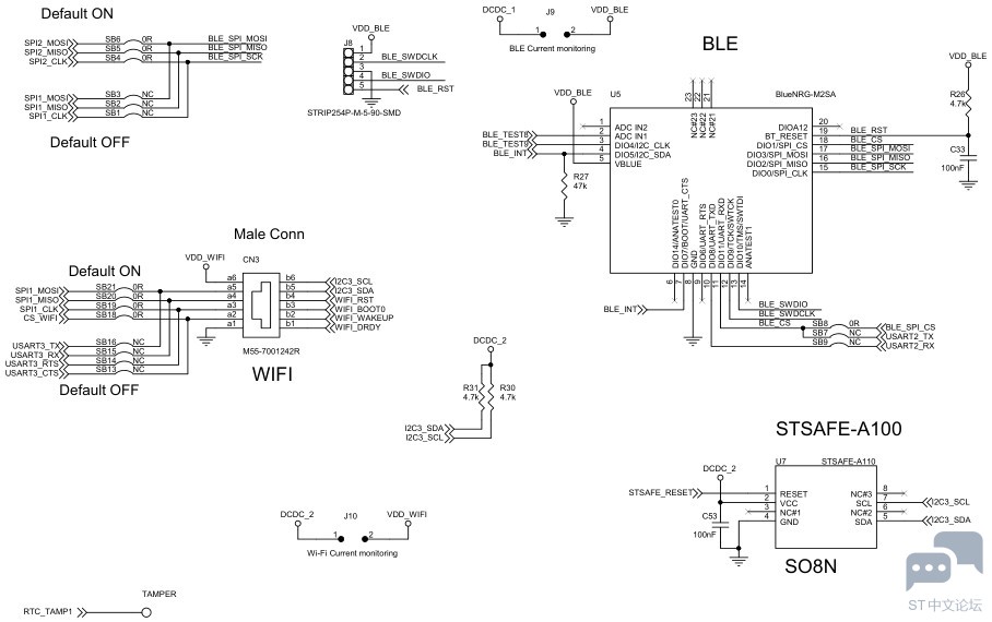
蓝牙

SCH_BLE.jpg

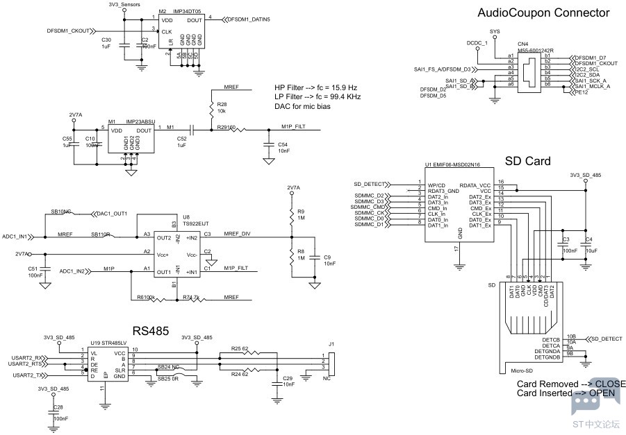
麦克风

SCH_Audio.jpg

接口

SCH_Interface.jpg

硬件组装

包括电池、外壳、ST-Link 等硬件的组装流程。

install_view.jpg

安装电池

注意靠近边缘的引脚为 GND;

install_battery.jpg

安装后盖

install_back.jpg

安装插件

install_locker.jpg

安装螺丝

install_screw.jpg

安装完成

install_complete.jpg

环境搭建

工程测试

硬件连接

  • 使用 MicroUSB 数据线连接开发板,使用 Type-C 数据线连接 STLINK-V3 MINIE 板;

hardware_connect.jpg

  • 打开 STM32CubeProgrammer 软件,选择 ST-LINK 并点击连接按钮,读取设备固件信息;

cubeprog_read.jpg

蓝牙Demo

这里通过 BLE sample 示例工程展示 STWINKT1B 开发套件对于工业生产等领域给出的解决方案。

获取工程

stsw-stwinkt01_download.jpg

加载工程

  • 进入路径 .\STSW-STWINKT01_V2.2.0\Projects\BLE_SampleApp\STM32CubeIDE\STWIN_BLE_SampleApp 双击打开 .cproject 程序;

BLE_sample.jpg

构建工程

  • 右键项目,选择构建工程,或点击菜单栏小锤子图标,执行后无报错;

build_project.jpg

固件上传

右键项目,选择调试工程 - 调试配置,双击 STM32 C/C++ Application 生成 Debug 配置;

debug_config.jpg

  • 点击 Debug 按钮,进入调试界面;
  • 点击菜单栏的启动按键,进入调试状态,此时固件已上传,程序开始运行;

debug_start.jpg

示例测试

使用 ST BLE Sensor 应用连接开发板,获取传感器数据等操作。

手机APP连接

  • 手机安装 ST BLE Sensor 应用;
  • 打开 APP,自动扫描周边设备,显示 STWIN15 开发板;
  • 点击连接到 STWIN15 设备,显示环境、数据绘图、开关控制、文本监测、MQTT 等选项标签;
  • 点击 Environmental 标签,进入环境传感器列表,显示当前温度、湿度、气压等信息;

STBLE_APP_Environ.jpg

  • 可设置 Offset 进行参数校正;

传感器数据采集

  • 进入 Plot Data 选项,可选择气压、湿度、温度数据进行实时绘图;

STBLE_APP_Plot.jpg

开关控制LED

通过 Switch 控制板载 LED 的亮灭;

switch_led.jpg

总结

本文介绍了 STEVAL-STWINKT1B 开发套件的相关信息,包括外观、功能特点、参数资源、原理图、系统框图等,并完成硬件组装和开发环境搭建,通过蓝牙Demo示例工程,快速实现应用测试,为相关产品的快速开发和应用设计提供了参考。

收藏 评论0 发布时间:2026-2-27 20:15

举报

0个回答
关于
我们是谁
投资者关系
意法半导体可持续发展举措
创新与技术
意法半导体官网
联系我们
联系ST分支机构
寻找销售人员和分销渠道
社区
媒体中心
活动与培训
隐私策略
隐私策略
Cookies管理
行使您的权利
官方最新发布
STM32N6 AI生态系统
STM32MCU,MPU高性能GUI
ST ACEPACK电源模块
意法半导体生物传感器
STM32Cube扩展软件包
关注我们
st-img 微信公众号
st-img 手机版