你的浏览器版本过低,可能导致网站不能正常访问!
为了你能正常使用网站功能,请使用这些浏览器。

电路设计与制作—STM32核心板介绍

[复制链接]
STMCU小助手 发布时间:2021-7-15 14:01
本文对STM32核心板以及STM32进行介绍,并解释为什么选择STM32核心板作为本教程的载体。最后,还对该STM32核心板上可以开展的实验进行了简单的介绍。

1. STM32芯片介绍

ST公司基于ARM公司2006年推出的Cortex-M3内核,于2007年推出了STM32系列单片机。Cortex-M3内核的计算能力是1.25DMIPS/MHz,而ARM7TDMI只有0.95DMIPS/MHz。本教程所使用的STM32拥有1μs的双12位ADC,4MBit/S的UART,18MBit/S的SPI,18MHz的I/O翻转速度,更重要的是STM32在72MHz工作时功耗只有36mA(所有外设处于工作状态),而待机时功耗只有2μA。

而且由于STM32拥有丰富的外设、强大的开发工具、上手简单的固件库,在32位微控制选型中,STM32已经成为工程师的首选。据统计,从2007年到2016年,STM32出货量累计20亿颗,十年间ST在中国的市场份额从2%增长到14%。isuppli的2016下半年市场报告显示,中国的Cortex-M市场,STM32市场份额占到45.8%。

2. STM32核心板电路简介
1.jpg

STM32核心板电路简介
通讯-下载模块接口电路
通讯-下载模块除了具备程序下载功能外,还担任着“通讯员”的角色,即可以通
过通讯-下载模块实验计算机与STM32之间的通讯。另外,通讯-下载模块还为STM32核心板提供5V供电,需要注意的是,通讯-下载模块既可以输出5V电压,也可以输出3.3V电压,因此,在使用通讯-下载模块与本教程中的STM32连接时,需要将通讯-下载模块的电源输出开关拨到5V档位。
2.jpg


3. 电源转换电路
电源转换电路是将5V输入电压转换为3.3V输出电压。通讯-下载模块的5V与STM32核心板电路的5V网络相连接,二极管D1(SS210)的功能是防止STM32核心板向通讯-下载模块反向供电,二极管上会产生大约0.4V的正向电压差,因此低压差线性稳压电源U2(AMS1117-3.3的)输入端(Vin)的电压并非5V,而是4.6V左右。经过低压差线性稳压电源的降压,会在U2的输出端(Vout)产生一个3.3V的电压。为了调试方便,电源转换电路上设计了3个测试点,分别是5V、3V3和GND。
3.png


4. JTAG/SWD调试接口电路
JTAG/SWD调试接口电路采用了标准的JTAG接法,这种接法兼容SWD接口,因为SWD只需要四根线(SWCLK、SWDIO、VCC和GND)。需要注意的是,该接口电路为JLINK或ST-Link提供3.3V的电源,因此,不能通过JLINK或ST-Link对STM32核心板进行供电,而是STM32核心板为JLINK或ST-Link供电。JLINK和ST-Link不仅可以下载程序,还可以对STM32微控制器进行在线调试。
4.jpg


5. 独立按键电路
STM32核心板上有三个独立按键,分别是KEY1、KEY2和KEY3,每个按键都与一个电容并联,且通过一个10K电阻连接到3.3V电源网络。因此,按键未按下时,输入到STM32微控制的电压为高电平,按键按下时,输入到STM32微控制的电压为低电平。KEY1、KEY2和KEY3分别连接在STM32F103RCT6的PC1、PC2和PA0引脚上。
5.jpg


6. OLED显示屏接口电路
STM32核心板除了可以通过通讯-下载模块在计算机上显示数据外,还可以通过
板载OLED显示屏接口电路外接一个OLED显示屏进行数据显示,该接口电路为OLED显示屏提供3.3V的电源。
6.jpg


7. 晶振电路
STM32微控制器具有非常强大时钟系统,除了内置高精度和低精度的时钟系统外,大家还可以通过外接晶振,为STM32微控制器提供高精度和低精度的时钟系统。
下图为外接晶振电路,其中Y1为8MHz晶振,连接到时钟系统的HSE(外部高速时钟),Y2为32.768MHz晶振,连接到时钟系统的LSE(外部低速时钟)。
7.png


8. LED电路
除了标识为PWR的电源指示LED外,STM32核心板上还有两个LED,LD1为蓝色,LD2为绿色,每个LED分别与一个330Ω电阻串联后连接到STM32F103RCT6芯片的引脚上,在LED电路中,电阻起着分压限流的作用。LD1和LD2分别连接在STM32F103RCT6的PC5和PC4 引脚上。
8.jpg


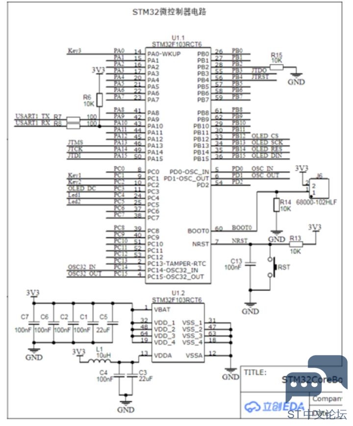
9. STM32微控制器电路
STM32微控制器电路是STM32核心板的核心部分,由STM32滤波电路、STM32微控制器、复位电路、启动模式选择电路组成。
9.jpg


10. 外扩引脚
STM32核心板上的STM32F103RCT6总共有51个通用IO,分别是PA0~15、PB0~15、PC0~15、PD0~2,其中PC14、PC15连接外部的32.768KHz晶振,PD0、PD1连接外部的8MHz晶振,除了这4个引脚,STM32核心板通过J1、J2、J3三组排针引出了其余47个通用IO。
10.jpg


11. STM32核心板可以开展的实验
11.jpg

收藏 评论0 发布时间:2021-7-15 14:01

举报

0个回答
关于
我们是谁
投资者关系
意法半导体可持续发展举措
创新与技术
意法半导体官网
联系我们
联系ST分支机构
寻找销售人员和分销渠道
社区
媒体中心
活动与培训
隐私策略
隐私策略
Cookies管理
行使您的权利
官方最新发布
STM32N6 AI生态系统
STM32MCU,MPU高性能GUI
ST ACEPACK电源模块
意法半导体生物传感器
STM32Cube扩展软件包
关注我们
st-img 微信公众号
st-img 手机版