你的浏览器版本过低,可能导致网站不能正常访问!
为了你能正常使用网站功能,请使用这些浏览器。

【经验分享】Watch Dog 失效

[复制链接]
STMCU小助手 发布时间:2022-2-23 19:38
问题:
该问题由某客户提出,发生在 STM32F103VDT6 器件上。据其工程师讲述:在其产品设计中,使用了STM32 的片上看门狗 IWDG 进行系统监控。在实测中发现,在软件中去掉喂狗代码之后,IWDG 并没有复位系统。

调研:
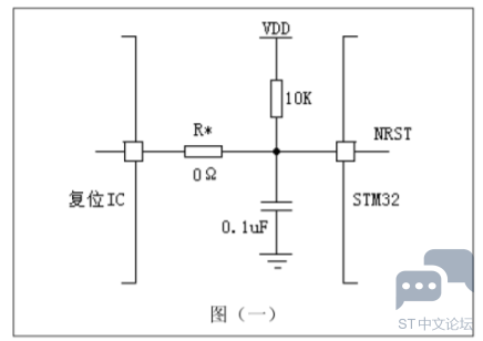
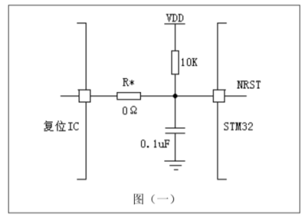
运行其测试程序,观察 STM32 的对外通信,确认现象如前所述。检查软件中对 IWDG 初始化的代码,未发现异常。使用编辑器的搜索功能,在整个软件工程中搜索具有喂狗特征的代码,没有可疑代码被搜到。检查原理图,其中 STM32 的复位电路部分如图(一)所示:

D6G2]LSHZIJF3RV`PX8`M8J.png

修改硬件,去掉电阻 R*。修改软件,将对 IWDG 初始化的代码移至 main 函数的最前端。紧跟其后,加入 while(1);语句,阻止其它代码被执行。运行程序后,用示波器观察 NRST 管脚步的波形,发现有如图(二)所示的复位脉冲送出。将软件改回到原测试程序并运行,观察到系统有复位动作产生。

@3A~N(FDJ7QTQW298MIR7D2.png

查看该复位芯片的数据手册,证实其对外驱动类型为 CMOS 推拉型驱动。

结论:
所使用的复位芯片的驱动类型不恰当,与 STM32 对 NRST 管脚的驱动发生冲突,造成 STM32 内部产生的复位信号不能传递到 NRST 管脚上,进而导致 IWDG 失效。


处理:
将图(一)中的 R*由 0Ω电阻改为 1K 电阻。


建议:
STM32 内部可以产生包括上电复位在内的多种复位信号,同时从专用的复位管脚 NRST 接收外部送来的复位信号,各路复位信号之间的关系如图(三)所示:



在这些复位信号中,无论哪个信号都要先作用于 NRST 管脚上,然后再分成两路,分别送给片外和片内。送给片内的一路最终形成 system reset,用于复位除后备域以外的用户电路。从图(三)可以看出,STM32 对 NRST 管脚采用了电阻负载型的驱动类型进行驱动,以便片内信号与片外片信号能形成线与逻辑。为此,片外电路对 NRST 管脚的驱动也要采用可以进行线与逻辑的驱动类型。常见的驱动类型有四种,见图(四):

%O2G`HGH8{TC_$ZH@FE2YXE.png

(a) 电阻负载型驱动;
(b) 恒流负载型驱动;
(c) 开路负载型驱动;
(d) 推拉型驱动
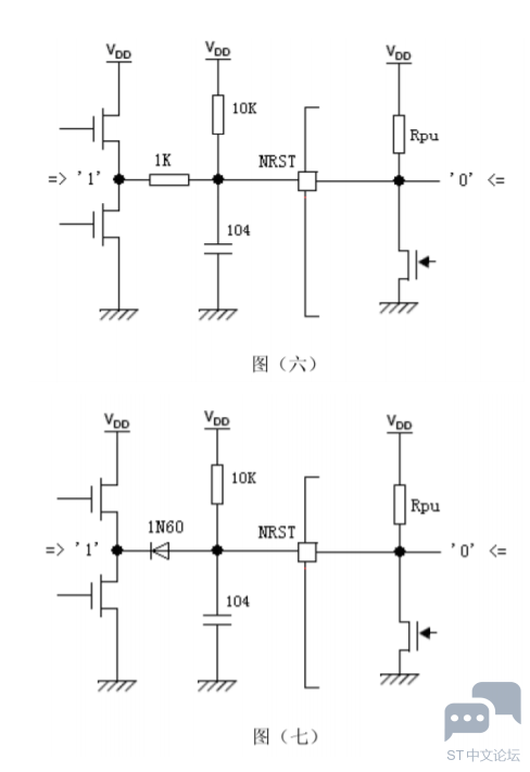
其中(a)、(b)、(c)三种类型都可以实现线与逻辑,而(d)则不能。当(d)型驱动电路与 STM32 的 NRST管脚连接时,会出现图(五)所示的由于强强竞争而产生的短路电流 I。而此时输出结点的逻辑值是不确定的,很可能由此引发一些逻辑信号被湮没而丢失。所以对(d)型驱动电路来说,需要通过隔离电路来驱动 STM32 的 NRST 管脚,而不能直接连接,如图(六)、图(七)所示:


FP]ID6VZM8QYQNC6KHPBJL2.png

所以对(d)型驱动电路来说,需要通过隔离电路来驱动 STM32 的 NRST 管脚,而不能直接连接,如图(六)、图(七)所示:


4@5]{~W1PB~XF6(F1V~UUT9.png











收藏 评论0 发布时间:2022-2-23 19:38

举报

0个回答

所属标签

相似分享

官网相关资源

关于
我们是谁
投资者关系
意法半导体可持续发展举措
创新与技术
意法半导体官网
联系我们
联系ST分支机构
寻找销售人员和分销渠道
社区
媒体中心
活动与培训
隐私策略
隐私策略
Cookies管理
行使您的权利
官方最新发布
STM32N6 AI生态系统
STM32MCU,MPU高性能GUI
ST ACEPACK电源模块
意法半导体生物传感器
STM32Cube扩展软件包
关注我们
st-img 微信公众号
st-img 手机版