你的浏览器版本过低,可能导致网站不能正常访问!
为了你能正常使用网站功能,请使用这些浏览器。

【经验分享】温度传感器DS18B20原理,附STM32例程代码

[复制链接]
STMCU小助手 发布时间:2022-3-13 19:13
DS18B20是一款常用的高精度的单总线数字温度测量芯片。具有体积小,硬件开销低,抗干扰能力强,精度高的特点。

DS18B20原理
传感器参数
测温范围为-55℃到+125℃,在-10℃到+85℃范围内误差为±0.4°
返回16位二进制温度数值
主机和从机通信使用单总线,即使用单线进行数据的发送和接收
在使用中不需要任何外围元件,独立芯片即可完成工作
掉电保护功能 DS18B20 内部含有 EEPROM ,通过配置寄存器可以设定数字转换精度和报警温度,在系统掉电以后,它仍可保存分辨率及报警温度的设定值
每个DS18B20都有独立唯一的64位-ID,此特性决定了它可以将任意多的DS18b20挂载到一根总线上,通过ROM搜索读取相应DS18B20的温度值
宽电压供电,电压2.5V~5.5V
DS18B20返回的16位二进制数代表此刻探测的温度值,其高五位代表正负。如果高五位全部为1,则代表返回的温度值为负值。如果高五位全部为0,则代表返回的温度值为正值。后面的11位数据代表温度的绝对值,将其转换为十进制数值之后,再乘以0.0625即可获得此时的温度值

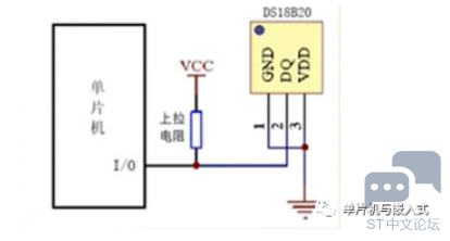
传感器引脚及原理图
DS18B20传感器的引脚及封装图如下:



DS18B20一共有三个引脚,分别是:
GND:电源地线
DQ:数字信号输入/输出端
VDD:外接供电电源输入端

9_N]FE)BS_)M0GM7S9L4GOA.png

单个DS18B20接线方式:VDD接到电源,DQ接单片机引脚,同时外加上拉电阻,GND接地。
注意这个上拉电阻是必须的,就是DQ引脚必须要一个上拉电阻。
DS18B20上拉电阻
首先来看一下什么是场效应管(MOSFET),如下图。

AH8{KH{D3S_B$RR{{PKDO6R.png

场效应管是电压控制型元器件,只要对栅极施加一定电压,DS就会导通。
漏极开路:MOS管的栅极G和输入连接,源极S接公共端,漏极D悬空(开路)什么也没有接,直接输出 ,这时只能输出低电平和高阻态,不能输出高电平。
那么这个时候会出现三种情况:
下图a为正常输出(内有上拉电阻):场效应管导通时,输出低电位输出低电位,截止时输出高电位
下图b为漏极开路输出,外接上拉电阻:场效应管导通时,驱动电流是从外部的VCC流经电阻通过MOSFET到GND,输出低电位,截止时输出高电位
下图c为漏极开路输出,无外接上拉电阻:场效应管导通时输出低电位,截止呈高阻态(断开)

)SN1J_VVJMOSULZN6Z1Z}ZN.png

总结一下:
开漏输出只能输出低电平,不能输出高电平。漏极开路输出高电平时必须在输出端与正电源(VCC)间外接一个上拉电阻,否则只能输出高阻态,相关文章:三极管和MOS管驱动电路的正确用法。
DS18B20 是单线通信,即接收和发送都是这个通信脚进行的。其接收数据时为高电阻输入,其发送数据时是开漏输出,本身不具有输出高电平的能力,即输出0时通过MOS下拉为低电平,而输出1时,则为高阻,需要外接上拉电阻将其拉为高电平。因此,需要外接上拉电阻,否则无法输出1。
外接上拉电阻阻值:
DS18B20的工作电流约为1mA,VCC一般为5V,则电阻R=5V/1mA=5KΩ,所以正常选择4.7K电阻,或者相近的电阻值。

DS18B20寄生电源
DS18B20的另一个特点是不需要再外部供电下即可工作。当总线高电平时能量由单线上拉电阻经过DQ引脚获得。高电平同时充电一个内部电容,当总线低电平时由此电容供应能量。这种供电方法被称为“寄生电源”。另外一种选择是DSl8B20由接在VDD的外部电源供电。

G9)@X0TGN9{@EK{C]$}FAAC.png

DS18B20内部构成
主要由以下3部分组成:
64 位ROM
高速暂存器
存储器
64位ROM存储独有的序列号,ROM中的64位序列号是出厂前被光刻好的,它可以看作是该DS18B20的地址序列码,每个DS18B20的64位序列号均不相同。这样就可以实现一根总线上挂接多个DS18B20的目的。
高速暂存器包含:
温度传感器
一个字节的温度上限和温度下限报警触发器(TH和TL)
配置寄存器允许用户设定9位,10位,11位和12位的温度分辨率,分别对应着温度的分辨率为:0.5°C,0.25°C,0.125°C,0.0625°C,默认为12位分辨率
存储器:由一个高速的RAM和一个可擦除的EEPROM组成,EEPROM存储高温和低温触发器(TH和TL)以及配置寄存器的值,(就是存储低温和高温报警值以及温度分辨率)

UQ7Z25P@9BE4$([5)70D4HI.png

DS18B20温度读取与计算
DS18B20采用16位补码的形式来存储温度数据,温度是摄氏度。当温度转换命令发布后,经转换所得的温度值以二字节补码形式存放在高速暂存存储器的第0和第1个字节。
高字节的五个S为符号位,温度为正值时S=1,温度为负值时S=0。
剩下的11位为温度数据位,对于12位分辨率,所有位全部有效,对于11位分辨率,位0(bit0)无定义,对于10位分辨率,位0和位1无定义,对于9位分辨率,位0,位1,和位2无定义。

LKVJ5CMSDPW$DOOXDH1J3(O.png

对应的温度计算:
当五个符号位S=0时,温度为正值,直接将后面的11位二进制转换为十进制,再乘以0.0625(12位分辨率),就可以得到温度值。
当五个符号位S=1时,温度为负值,先将后面的11位二进制补码变为原码(符号位不变,数值位取反后加1),再计算十进制值。再乘以0.0625(12位分辨率),就可以得到温度值。
举两个例子:
数字输出07D0(00000111 11010000),转换成10进制是2000,对应摄氏度:0.0625x2000=125°C
数字输出为 FC90,首先取反,然后+1,转换成原码为:11111011 01101111,数值位转换成10进制是870,对应摄氏度:-0.0625x870=-55°C
温度对应表如下:

9A7[~X`0RO~[HZO27YENPUG.png

上述例子,用C语言来实现的代码,如下:

  1. unsigned int Temp1,Temp2,Temperature;  //Temp1低八位,Temp2高八位
  2. unsigned char Minus Flag=0;  //负温度标志位

  3. if(Temp2&0xFC)//判断符号位是否为1
  4. {
  5.   Minus Flag=l; //负温度标志位置1
  6.   Temperature=((Temp2<<8)|Temp1); //高八位第八位进行整合
  7.   Temperature=((Temperature)+1); //讲补码转换为原码,求反,补1
  8.   Temperature*=0.0625;//求出十进制
  9. }
  10. else   //温度为正值
  11. {
  12.   Minus Flag=0;  //负温度标志位置0
  13.   Temperature =((Temp2<<8) |Temp1)*0.0625;
  14. }
复制代码
DS18B20工作步骤
DS18B20的工作步骤可以分为三步:
初始化DS18B20
执行ROM指令
执行DS18B20功能指令
其中第二步执行ROM指令,也就是访问每个DS18B20,搜索64位序列号,读取匹配的序列号值,然后匹配对应的DS18B20,如果我们仅仅使用单个DS18B20,可以直接跳过ROM指令。而跳过ROM指令的字节是0xCC。

初始化DS18B20
    任何器件想要使用,首先就是需要初始化,对于DS18B20单总线设备,首先初始化单总线为高电平,然后总线开始也需要检测这条总线上是否存在DS18B20这个器件。如果这条总线上存在DS18B20,总线会根据时序要求返回一个低电平脉冲,如果不存在的话,也就不会返回脉冲,即总线保持为高电平。
    初始化具体时序步骤如下:
单片机拉低总线至少480us,产生复位脉冲,然后释放总线(拉高电平)
这时DS8B20检测到请求之后,会拉低信号,大约60~240us表示应答
DS8B20拉低电平的60~240us之间,单片机读取总线的电平,如果是低电平,那么表示初始化成功
DS18B20拉低电平60~240us之后,会释放总线

0O5VVGWI59FS%_BX]26@D1K.png

    DS18B20的初始化代码如下:

  1. /*****初始化DS18B20*****/
  2. unsigned int Init_DS18B20(void)
  3. {
  4. unsigned int x=0;
  5.   DQ = 1;      //DQ复位
  6.   delay(4);    //稍做延时
  7.   DQ = 0;      //单片机将DQ拉低
  8.   delay(60);   //精确延时,大于480us
  9.   DQ = 1;      //拉高总线
  10.   delay(8);
  11.   x = DQ;      //稍做延时后,如果x=0则初始化成功,x=1则初始化失败
  12.   delay(4);
  13. return x;
  14. }
复制代码

写时序
    总线控制器通过控制单总线高低电平持续时间从而把逻辑1或0写DS18B20中。每次只传输1位数据。
    单片机想要给DS18B20写入一个0时,需要将单片机引脚拉低,保持低电平时间要在60~120us之间,然后释放总线。
    单片机想要给DS18B20写入一个1时,需要将单片机引脚拉低,拉低时间需要大于1us,然后在15us内拉高总线。
    在写时序起始后15μs到60μs期间,DS18B20处于采样单总线电平状态。如果在此期间总线为高电平,则向DS18B20写入1;如果总线为低电平,则向DSl8B20写入0。
    注意:2次写周期之间至少间隔1us。

)E20BMI5UENHZ6@OI2(}$BK.png

    DS18B20写时序的代码如下:

  1. /*****写一个字节*****/
  2. void WriteOneChar(unsigned char dat)
  3. {
  4. unsigned char i=0;
  5. for (i=8; i>0; i--)
  6.   {
  7.     DQ = 0;
  8.     DQ = dat&0x01;  //与1按位与运算,dat最低位为1时DQ总线为1,dat最低位为0时DQ总线为0
  9.   delay(4);
  10.     DQ = 1;
  11.     dat>>=1;
  12.   }
  13.   delay(4);
  14. }
复制代码

    采用多个DS18B20时,需要写ROM指令来控制总线上的某个DS18B20。如果是单个DS18B20,直接写跳过ROM指令0xCC即可。DS18B20写入ROM功能指令如下表:

LLLNJ0AHTW9}TI`AC7$B{07.png

    DS18B20的一些RAM功能指令如下表。其中常用的是温度转换指令,开启温度读取转换,读取好的温度会存储在高速暂存器的第0个和第一个字节中。另一个常用的是读取温度指令,读取高速暂存器存储的数据。

5E{T57K]1GF}CJ()(P2M6[J.png

读时序
    读时隙由主机拉低总线电平至少1μs然后再释放总线,读取DS18B20发送过来的1或者0。
    DS18B20在检测到总线被拉低1微秒后,便开始送出数据,若是要送出0就把总线拉为低电平直到读周期结束。若要送出1则释放总线为高电平。

9}$XC9N@3T]IY1Y818I8ZFM.png

    注意:所有读时隙必须至少需要60us,且在两次独立的时隙之间至少需要1ps的恢复时间。
    同时注意:主机只有在发送读暂存器命令(0xBE)或读电源类型命令(0xB4)后,立即生成读时隙指令,DS18B20才能向主机传送数据。也就是先发读取指令,再发送读时隙。
    最后一点:写时序注意是先写命令的低字节,比如写入跳过ROM指令0xCC(11001100),写的顺序是“零、零、壹、壹、零、零、壹、壹”。
    读时序时是先读低字节,在读高字节,也就是先读取高速暂存器的第0个字节(温度的低8位),在读取高速暂存器的第1个字节(温度的高8位) 我们正常使用DS18B20读取温度读取两个温度字节即可。

STM32例程

    DS18B20.c代码:
  1. #include "ds18b20.h"
  2. #include "delay.h"

  3. //复位DS18B20
  4. void DS18B20_Rst(void)
  5. {                 
  6.   DS18B20_IO_OUT();   //SET PG11 OUTPUT
  7.     DS18B20_DQ_OUT=0;   //拉低DQ
  8.     delay_us(750);      //拉低750us
  9.     DS18B20_DQ_OUT=1;   //DQ=1
  10.   delay_us(15);       //15US
  11. }
  12. //等待DS18B20的回应
  13. //返回1:未检测到DS18B20的存在
  14. //返回0:存在
  15. u8 DS18B20_Check(void)
  16. {   
  17.   u8 retry=0;
  18.   DS18B20_IO_IN();  //SET PG11 INPUT   
  19. while (DS18B20_DQ_IN&&retry<200)
  20.   {
  21.     retry++;
  22.     delay_us(1);
  23.   };   
  24. if(retry>=200)return 1;
  25. else retry=0;
  26. while (!DS18B20_DQ_IN&&retry<240)
  27.   {
  28.     retry++;
  29.     delay_us(1);
  30.   };
  31. if(retry>=240)return 1;      
  32. return 0;
  33. }
  34. //从DS18B20读取一个位
  35. //返回值:1/0
  36. u8 DS18B20_Read_Bit(void)
  37. {
  38.     u8 data;
  39.   DS18B20_IO_OUT();  //SET PG11 OUTPUT
  40.     DS18B20_DQ_OUT=0;
  41.   delay_us(2);
  42.     DS18B20_DQ_OUT=1;
  43.   DS18B20_IO_IN();  //SET PG11 INPUT
  44.   delay_us(12);
  45. if(DS18B20_DQ_IN)data=1;
  46. else data=0;   
  47.     delay_us(50);           
  48. return data;
  49. }
  50. //从DS18B20读取一个字节
  51. //返回值:读到的数据
  52. u8 DS18B20_Read_Byte(void)
  53. {        
  54.     u8 i,j,dat;
  55.     dat=0;
  56. for (i=1;i<=8;i++)
  57.   {
  58.         j=DS18B20_Read_Bit();
  59.         dat=(j<<7)|(dat>>1);
  60.     }               
  61. return dat;
  62. }
  63. //写一个字节到DS18B20
  64. //dat:要写入的字节
  65. void DS18B20_Write_Byte(u8 dat)
  66. {            
  67.     u8 j;
  68.     u8 testb;
  69.   DS18B20_IO_OUT();  //SET PG11 OUTPUT;
  70. for (j=1;j<=8;j++)
  71.   {
  72.         testb=dat&0x01;
  73.         dat=dat>>1;
  74. if (testb)
  75.         {
  76.             DS18B20_DQ_OUT=0;  // Write 1
  77.             delay_us(2);                           
  78.             DS18B20_DQ_OUT=1;
  79.             delay_us(60);            
  80.         }
  81. else
  82.         {
  83.             DS18B20_DQ_OUT=0;  // Write 0
  84.             delay_us(60);            
  85.             DS18B20_DQ_OUT=1;
  86.             delay_us(2);                          
  87.         }
  88.     }
  89. }
  90. //开始温度转换
  91. void DS18B20_Start(void)
  92. {                              
  93.     DS18B20_Rst();     
  94.   DS18B20_Check();   
  95.     DS18B20_Write_Byte(0xcc);  // skip rom
  96.     DS18B20_Write_Byte(0x44);  // convert
  97. }


  98. //初始化DS18B20的IO口 DQ 同时检测DS的存在
  99. //返回1:不存在
  100. //返回0:存在      
  101. u8 DS18B20_Init(void)
  102. {
  103.    GPIO_InitTypeDef  GPIO_InitStructure;

  104.    RCC_APB2PeriphClockCmd(RCC_APB2Periph_GPIOG, ENABLE);   //使能PORTG口时钟

  105.    GPIO_InitStructure.GPIO_Pin = GPIO_Pin_11;        //PORTG.11 推挽输出
  106.    GPIO_InitStructure.GPIO_Mode = GPIO_Mode_Out_PP;      
  107.    GPIO_InitStructure.GPIO_Speed = GPIO_Speed_50MHz;
  108.    GPIO_Init(GPIOG, &GPIO_InitStructure);


  109.    GPIO_SetBits(GPIOG,GPIO_Pin_11);    //输出1


  110.   DS18B20_Rst();


  111. return DS18B20_Check();
  112. }  
  113. //从ds18b20得到温度值
  114. //精度:0.1C
  115. //返回值:温度值 (-550~1250)
  116. short DS18B20_Get_Temp(void)
  117. {
  118.     u8 temp;
  119.     u8 TL,TH;
  120. short tem;
  121.     DS18B20_Start ();        // ds1820 start convert
  122.     DS18B20_Rst();
  123.     DS18B20_Check();   
  124.     DS18B20_Write_Byte(0xcc);  // skip rom
  125.     DS18B20_Write_Byte(0xbe);  // convert      
  126.     TL=DS18B20_Read_Byte();   // LSB   
  127.     TH=DS18B20_Read_Byte();   // MSB  

  128. if(TH>7)
  129.     {
  130.         TH=~TH;
  131.         TL=~TL;
  132.         temp=0;          //温度为负  
  133.     }else temp=1;        //温度为正        
  134.     tem=TH;           //获得高八位
  135.     tem<<=8;   
  136.     tem+=TL;          //获得底八位
  137.     tem=(float)tem*0.625;    //转换     
  138. if(temp)return tem;     //返回温度值
  139. else return -tem;   
  140. }
复制代码

    DS18B20.h代码:

  1. #ifndef __DS18B20_H
  2. #define __DS18B20_H
  3. #include "sys.h"


  4. //IO方向设置
  5. #define DS18B20_IO_IN()  {GPIOG->CRH&=0XFFFF0FFF;GPIOG->CRH|=8<<12;}
  6. #define DS18B20_IO_OUT() {GPIOG->CRH&=0XFFFF0FFF;GPIOG->CRH|=3<<12;}
  7. //IO操作函数                        
  8. #define  DS18B20_DQ_OUT PGout(11) //数据端口  PA0
  9. #define  DS18B20_DQ_IN  PGin(11)  //数据端口  PA0

  10. u8 DS18B20_Init(void);//初始化DS18B20
  11. short DS18B20_Get_Temp(void);//获取温度
  12. void DS18B20_Start(void);//开始温度转换
  13. void DS18B20_Write_Byte(u8 dat);//写入一个字节
  14. u8 DS18B20_Read_Byte(void);//读出一个字节
  15. u8 DS18B20_Read_Bit(void);//读出一个位
  16. u8 DS18B20_Check(void);//检测是否存在DS18B20
  17. void DS18B20_Rst(void);//复位DS18B20   
  18. #endif
复制代码





收藏 评论0 发布时间:2022-3-13 19:13

举报

0个回答

所属标签

相似分享

官网相关资源

关于
我们是谁
投资者关系
意法半导体可持续发展举措
创新与技术
意法半导体官网
联系我们
联系ST分支机构
寻找销售人员和分销渠道
社区
媒体中心
活动与培训
隐私策略
隐私策略
Cookies管理
行使您的权利
官方最新发布
STM32N6 AI生态系统
STM32MCU,MPU高性能GUI
ST ACEPACK电源模块
意法半导体生物传感器
STM32Cube扩展软件包
关注我们
st-img 微信公众号
st-img 手机版