你的浏览器版本过低,可能导致网站不能正常访问!
为了你能正常使用网站功能,请使用这些浏览器。

【经验分享】自制STM32的下载器

[复制链接]
STMCU小助手 发布时间:2022-6-9 23:39
    本文介绍制作一个STM32下载器的过程。
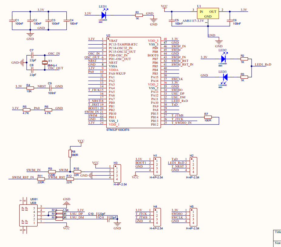
原理图
    STLINK-V2下载器电路原理图如下。


    上图中,H5接口是固件下载口。H4接口是STLINK-V2下载口(实现下载功能的接口  T_JTCK就是SWCLK,  T_JTMS就是 SWDIO)。其他都是测试接口。

制作过程
    首先我们焊接完的板子是不能用的,需要往里面下载固件。前提是你手头有一块好的ST-LinkV2下载器,不然就白搞了。


    使用好的STLINK-V2下载器给我们自己制作的STLINK-V2板子下载固件,将STLINK-V2下载器连接角与板子上的H5固件下载接口对应连接,再将STLINK-V2连接到电脑,
    安装ST的ST-LINK Utility软件,使用STM32 ST-LINK Utility 软件下载固件(这个软件官网可以下载)。先连接后下载,要是软件识别不了你的芯片,那你得仔细检查下你的板子啦!


     连接成功后,然后开始下载固件。
    图中框1打开固件STLinkV2.J16.S4.bin文件(这个最新固件官网可以下载的到)。
    点击框2下载,弹出下载窗口。
    点击框3开始下载。


    下载完后,将自制的ST-Link插上电脑,然后,更新固件。点击框1,弹出窗口然后点击框2连接自制的ST-Link,识别出来后,点击框3开始更新固件。如果没有识别出来,可能是你同时插上了2个ST-Link,或者是你的板子有问题,得耐心排查。到这里,就算完成啦!接下来你可以体验你自制的ST-Link任意下载程序啦!这个电路我测试的是keil,IAR都支持,STM8也能下载。


收藏 评论0 发布时间:2022-6-9 23:39

举报

0个回答

所属标签

相似分享

官网相关资源

关于
我们是谁
投资者关系
意法半导体可持续发展举措
创新与技术
意法半导体官网
联系我们
联系ST分支机构
寻找销售人员和分销渠道
社区
媒体中心
活动与培训
隐私策略
隐私策略
Cookies管理
行使您的权利
官方最新发布
STM32N6 AI生态系统
STM32MCU,MPU高性能GUI
ST ACEPACK电源模块
意法半导体生物传感器
STM32Cube扩展软件包
关注我们
st-img 微信公众号
st-img 手机版